粉體行業在線展覽
H40高壓泵斯凱力
面議
斯凱力
H40高壓泵斯凱力
1359
H40
| 比率 | 流量 |
| 2:1 | 272lpm(72gpm) |
| 進氣口 | 工作壓力 |
| 3/4"BSPT | 14bar(203psi) |
| 進料口 | 顆粒直徑 |
| 1.5"(Thread Flange Clamp) | 6.3mm(0.207") |
| 出料口 | 每沖程排量 |
| 1.5"(Thread Flange Clamp) | 1.1L(0.29gal)*1 cycle = 2 strokes |
| 連接方式 | 泵體材質 |
| BSPT(Threaded) | 316L/CI |
| DIN ANSI JIS(Flange) | 質量 |
| TRI-Clamp | 76KG(CI/316L) |
| 吸升能力 | 工作溫度 |
| 5.8m(19')Dry, 9.2m(29.5')Wet | 135℃(281℉) |
特性與優勢
壓力增大一倍,流量可達常規泵的 90
HK系列斯凱力高壓型氣動隔膜泵壓力:14bar(203psi),流量494lpm(131gpm);H系列斯凱力高壓型氣動隔膜泵壓力14bar(203psi),流量790lpm(209gpm)
材質可選鑄鐵、不銹鋼、聚偏二氟乙烯(PVDF),適用于不同物料的高壓輸送
可以輸送高粘度,高固含量介質,且輸送距離更遠
螺栓結構確保高壓輸送時的牢固性,防止泄露,同時降低了維護成本
應用場合:壓濾機配套;陶瓷漿料;高揚程或長距離輸送;化工污泥輸送和一般工業應用
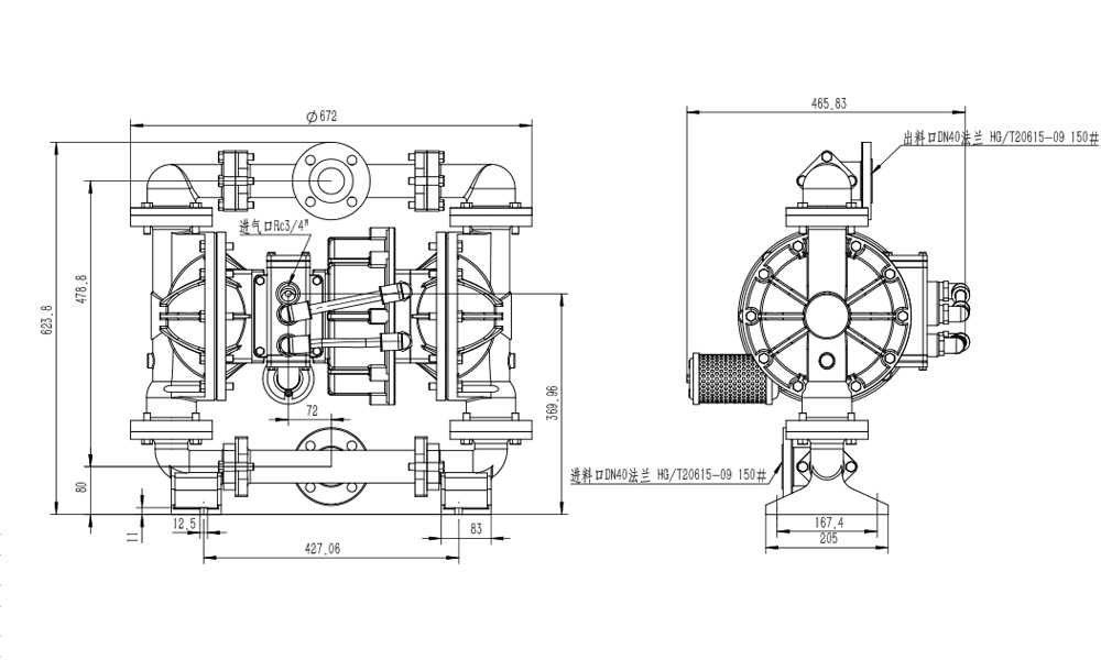
尺寸


| 材質 | 說明 |
| 接液部分 | 鑄鐵、316L不銹鋼 |
| 中間體 | 中心體(鋁合金(電泳)、陽極氧化鋁、PP聚丙烯、316L不銹鋼) |
| 氣閥 | 鋁合金(電泳)、陽極氧化鋁、PP聚丙烯、316L不銹鋼 |
| 材質 | 說明 |
| 山道橡膠 | -40°C to 107°C (-40°F to 225°F) |
| 氯丁橡膠 | -18°C to 93°C (0°F to 200°F) |
| 聚四氟乙烯 | 4°C to 104°C (40°F to 220°F) |
| 丁腈橡膠 | -12°C to 82°C (10°F to 180°F) |
| 三元乙丙橡膠 | -51°C to 138°C (-60°F to 280°F) |
| 氟橡膠 | -40°C to 177°C (-40°F to 350°F) |