粉體行業在線展覽
SK40金屬泵斯凱力
面議
斯凱力
SK40金屬泵斯凱力
1071
SK40
| 進氣口 | 流量 |
| 3/4" BSPT | 340.7lpm(90gpm) |
| 進料口 | 工作壓力 |
| 38mm(1-1/2")BSPT | 8.6 bar (125 psi) |
| 出料口 | 顆粒直徑 |
| 38mm(1-1/2")BSPT | 6.3mm(1/4") |
| 連接方式 | 每沖程排量 |
| BSPT(Threaded) | 1.29L(0.34gal) |
| ANSI DIN(Flanged) | *1 cycle=2 strokes |
| 吸升能力 | 泵體材質 |
| 5.8m(19')Dry,9.2m(29.5')Wet | AL/316L/CI |
| 工作溫度 | 質量 |
| 135℃(275℉) | 36KG(AL)/56KG(CI/316L) |
特性與優勢
輸送含固流體和有機溶劑
不平衡閥芯設計,不停泵送,無死點,防冰,快速排氣
多種流量選項,可達988lpm
輸送高達12mm的大固體顆粒
濕吸高度可達9m
進出口角度可調整90°,以適應各種連接方式
螺栓結構,密封性好,可靠性高,拆裝方便
便攜式,可用于潛水
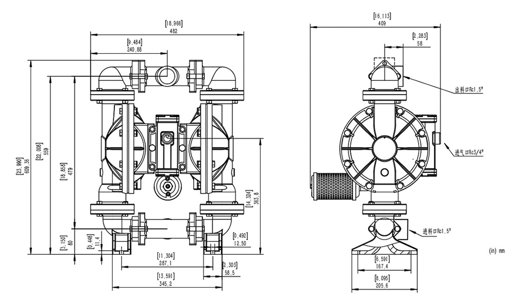
尺寸


| 材質 | 說明 |
| 接液部分 | 鋁合金、鑄鐵、316L不銹鋼 |
| 中間體 | 中心體(鋁合金(電泳)、陽極氧化鋁、PP聚丙烯、316L不銹鋼) |
| 氣閥 | 鋁合金(電泳)、陽極氧化鋁、PP聚丙烯、316L不銹鋼 |
| 材質 | 說明 |
| 山道橡膠 | -40°C to 107°C (-40°F to 225°F) |
| 氯丁橡膠 | -18°C to 93°C (0°F to 200°F) |
| 聚四氟乙烯 | 4°C to 104°C (40°F to 220°F) |
| 丁腈橡膠 | -12°C to 82°C (10°F to 180°F) |
| 三元乙丙橡膠 | -51°C to 138°C (-60°F to 280°F) |
| 氟橡膠 | -40°C to 177°C (-40°F to 350°F) |