粉體行業在線展覽
螺桿真空泵
面議
伯仲工業
螺桿真空泵
1311
概述:
LGB系列變螺距螺桿式真空泵是我公司根據市場需求自主研 發的技術先進的干式真空泵。因螺桿真空泵無需油潤滑或水密封,泵腔內無油,因此螺桿真空泵在半導體、電子工業中要求無油潔凈真空的場合以及化工制 藥中對溶劑的回收工藝等具有不可比擬的優勢,可廣泛替代旋片式真空泵,滑閥 式真空泵,水環式真空泵,水噴射真空泵,往復式真空泵,羅茨水環真空機組等 。
螺桿真空泵的一個導程相當于一級泵,多個導程的螺桿真 空泵相當于多級泵串聯,相對于爪式真空泵、多級羅茨真空泵等多級串聯的干式 真空泵而言,因螺桿真空泵的各級之間無內部通道,而是直接將氣體從吸氣側推 送至排氣側,因此在抽除可凝性氣體、帶有粉塵及顆粒物的氣體時不易堵塞且清 洗方便。
我公司變螺距螺桿真空泵具備以下特點:
· 結構緊湊,占地面積小。
· 結構簡單,維修方便。泵的維修及保養無需專用 工具。
· 單泵即可達到30Pa~5Pa的極限壓力,工作范圍較 寬。
· 根據系統工況配用合適的羅茨真空泵可組成干式 真空泵機組,大大提高低壓區的抽氣速率并減小功耗。
· 泵腔內無油,對被抽系統無污染,可獲得潔凈真 空。
· 泵腔內無油,容易實現對溶劑的回收。
· 泵腔及螺桿表面有鍍鎳層、哈氏合金涂層、PFA 涂層、PEKK涂層、不銹鋼+PFA復合涂層等可供選擇,可抽除水蒸汽、氨氣、甲醇 、丙酮、二氯甲烷等多種介質。
· 因工作過程中無廢油、廢水的排放,對環境無污 染。
· 對冷卻水的要求較低,對于泵的冷卻,普通的循 環水(脫鹽水)即可滿足要求,且冷卻水量較小。
· 清洗方便。如泵腔內進入污物需清洗時,只需打 開泵的吸排氣口,開啟泵后從泵的吸氣口加入適量的水或清洗劑即可將泵清洗干 凈,無需拆卸整臺泵。
· 因螺桿加工工藝復雜且需根據客戶使用工藝配套 復雜的電控系統,因此螺桿真空泵價格較高。
· 相比等螺距螺桿真空泵,變螺桿螺桿真空泵更適 合于在較低壓力下(低于絕壓30kPa)連續工作,且運行功率低,發熱量小,噪音小 ,在抽除酯類等介質時不易積炭。
· 對螺桿進行了冷卻,可將排氣溫度進一步降低30~50 ℃,在特殊工況下不易積炭;因排氣溫度較低,杜絕了排氣側機械密封被高溫氣體 燒毀的現象。
· 采用了內壓溢流閥結構,消除了吸入壓力較高時 的過壓縮現象,減小了高壓力工作區的功率損耗。
· 采用了下側排氣結構,避免了凝液回流對螺桿真 空泵脈動排氣時的沖擊。
LGB系列變螺 距螺桿真空泵性能參數表
型號 | 抽氣速率L/s | 名義抽速L/s | 泵轉速 | 極限壓力Pa | 噪音dB | 電機功率kW | 進氣口直徑mm | 排氣口直徑mm |
LGB-30 | 30 | 45 | 2900 | ≤10 | ≤74 | 4 | 40 | 40 |
LGB-50 | 50 | 65 | 2900 | ≤10 | ≤77 | 5.5 | 50 | 40 |
LGB-70 | 70 | 90 | 2900 | ≤10 | ≤78 | 7.5 | 50 | 50 |
LGB-100 | 100 | 135 | 2900 | ≤10 | ≤81 | 11 | 65 | 50 |
LGB-180 | 180 | 250 | 2900 | ≤10 | ≤81 | 18.5 | 100 | 80 |
LGB-300 | 300 | 350 | 2900 | ≤10 | ≤82 | 30 | 125 | 80 |
LGB-500 | 500 | 650 | 1480 | ≤10 | ≤83 | 55 | 150 | 125 |
LGB-800 | 800 | 1000 | 1480 | ≤10 | ≤84 | 75 | 200 | 125 |
注:因螺桿真空泵在抽除帶有粉塵的,易積炭的,有腐蝕性介 質的工況下必須做相應的針對性方案,請務必在訂貨時提供螺桿真空泵的使用條 件:a.被抽除的介質組成;b.工作壓力;c.是否有積炭傾向;d.抽除介質中是否有粉 塵;e.抽除介質中是否夾帶液體。
工作原理:
如圖所示,螺桿真空泵內裝有一對平行的互相嚙合的螺旋 狀的轉子(1和2),其中一件轉子的旋轉方向為右旋,另一件為左旋。兩個轉子在 泵體(9)內通過一對齒輪(3)保持同步反向旋轉。轉子與轉子之間、轉子與泵體之 間沒有磨擦且保持一定的間隙,兩個轉子與泵體之間形成了密封腔(4),密封腔的 個數等于轉子的螺旋圈數。
兩個轉子在按圖中方向旋轉時,與吸氣口(5)相連的密封腔 的空間逐漸變大,氣體被吸入并被傳送到排氣側,排氣側的密封腔(6)空間在旋轉 過程中逐漸變小,氣體被壓縮到排氣口(7)。
長時間運轉時需向泵體及端蓋的夾套(8)內通入適量的冷卻 水以對泵進行冷卻。
因壓縮熱主要在排氣側(6)產生,為了充分冷卻轉子,在多 數工況下可以將適量的空氣或其它合適的氣體通過摻氣口(10)導入泵腔內。
為使螺桿的溫度進一步降低,通過(11)(12)在螺桿內部通 入冷卻水,可使螺桿溫度降低30~50℃,從而使兩件螺桿之間保持較為恒定的間隙 ,保證穩定的性能。對高溫下容易腐蝕泵的,高溫下易積炭的工況,采用螺桿內 部冷卻后可明顯提高泵的使用壽命。
因變螺距螺桿真空泵在氣體傳輸過程中有內壓縮,在對系 統進行預抽真空或長時間在較高壓力(例如大氣壓力~-0.05MPa)區間工作時,變螺 距螺桿真空泵容易出現過壓縮現象,我公司的LGB真空泵可將已經達到排氣壓力的 氣體從(13)排出,從而降低泵的功率損耗。

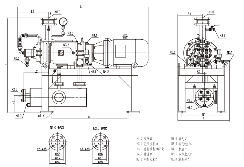
外形尺寸圖 :

性能曲線圖 :

2BV6121水環真空泵
2BV2060水環真空泵
2BV2061-Ex液環真空泵
2BV5111(304)水環真空泵
2BV5111水環真空泵
2BV5131水環真空泵
2BV6111水環真空泵
2BE1不銹鋼真空泵
2BE1153閉環機組
2BE1203 水環真空泵
2BW1131閉環機組
2BW2070閉環機組