粉體行業在線展覽
第三代中溫中壓減溫減壓裝置
面議
良盛
第三代中溫中壓減溫減壓裝置
1174
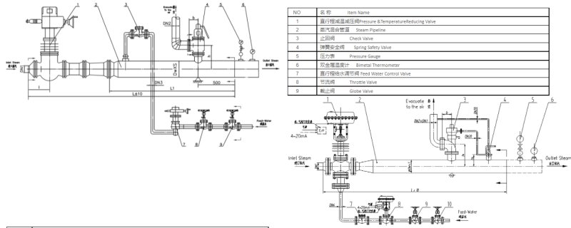
第三代中溫中壓減溫減壓裝置第三代 WY 系列減溫減壓裝置是本公司積累多年設計,制造經驗,并吸取國外先進產品結構,經技術優化設計而成的減溫減壓裝置,。第三代 WY 系列減溫減壓裝置由減壓系統(減溫減壓閥,節流孔板等)、減溫系統(高壓差給水調節閥,節流閥等)、 安全保護裝置(安全閥,止回閥)等組成,主要特點和性能指標如下1.采用減溫減壓閥,使整套裝置的長度大大縮短,減少了占地面積,降低了工程投資。2.減溫減壓閥內設有節流網罩,增強了減溫水的霧化效果,保護了閥座及閥體,延長了閥門的使用壽命,同時也降低了裝置的噪音。3.溫度調節系統采用高壓差給水調節閥,既減小了閥門的泄漏量,也省去了裝置傳統結構中給水分配閥的回水支路,方便了裝置的布局。4.同一口徑的高壓差給水調節閥由不同的流量系數 KV 值可供選擇,使溫度調節系統的調節靈敏度及精確度大大提高。5.減溫減壓閥、給水調節閥配用直行程執行機構,去除了傳統的杠桿鉸鏈機構,減少了中間環節的空行程,進一步提高了調節系統的靈敏度及精確度.。6.減溫減壓閥、給水調節閥配用氣動薄膜式執行機構,滿足了特殊用戶的需要,具有充分利用能源的優點7.進口蒸汽壓力:P1≤3.82MPa,進口蒸汽溫度:T1≤450℃℃。
8.出口蒸汽壓力 P2:出口蒸汽壓力 P2 的調節精確度不低于 2.5 級。9.出口蒸汽溫度 T2:出口蒸汽溫度 T2 的調節精確度不低于 2.5 級
