粉體行業在線展覽
面議
3680
雙錐混合機
簡 介:
雙錐混合機主要針對粉體與粉體的混合,特別針對混合批量比較少,混合均勻度要求高,混合無死角的產品,設備一般設計為筒體旋轉等方式,根據筒體的形狀、旋轉方式、內部葉片的分布形式等分為雙錐混合機、V形混合機、單轉筒等,設備整個使用過程分為停機加料、開機混合、停機出料等過程、可以選擇真空上料相配合。
工作原理:
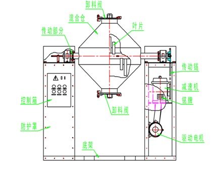
雙錐混合機由轉桶、設備支架、動力部分組成。
轉桶設計為雙錐等各種形式、同時在筒體內設計成不同的葉片形式、筒體轉動時、物料在桶體內不斷的提升、拋灑、交錯、達到快速混合的效果,*后達到均勻混合,整個混合過程筒體在不斷的翻轉,筒體內所有物料都得到運動,混合無死角。
物料必須具有流動性、有粘稠性物料不能夠拋灑。
混合過程必須停機加料、生產只能批次性進行,生產效率不高。
產品優勢:
1. 結構緊湊,操作簡單,清潔方便,運轉平穩,無噪音。
2. 能適應各種物料的混合,且均勻率比較高。
3. 可實行真空進料和碟閥出料,實現無塵操作。
4. 電氣系統有對電機的過載保護及調速表旋轉控制停機后的卸料品位置。
應用領域:
食品、醫藥、咖啡、奶粉、方便面、八寶粥、火腿腸、核桃粉、花椒粉、面粉、防霉劑、防腐劑、香精香料、味精等。
外形圖:
技術參數:
設備型號 | 設備容積 (L) | 生產容積 (L/Batch) | 混合量 (Kg/Batch) | 功率 (Kw) | 主軸轉速 (R/min) | 外形尺寸 (mm) | 設備重量 (Kg) |
MSZH-100 | 100L | 30~50 | <100 | 1.1 | 15 | 1500*600*1500 | 240 |
MSZH-200 | 200L | 50~100 | <150 | 1.5 | 15 | 1750*700*1700 | 300 |
MSZH-500 | 500L | 150~250 | <300 | 2.2 | 15 | 4200*1650*1560 | 650 |
MSZH-1000 | 1000L | 300~500 | <600 | 3 | 12 | 4400*1850*1850 | 900 |
MSZH-1500 | 1500L | 300~800 | <800 | 4 | 12 | 4500*1850*2000 | 980 |
MSZH-2000 | 2000L | 500~1000 | <1000 | 5.5 | 12 | 5400*2050*2250 | 1600 |
MSZH-3000 | 3000L | 500~1500 | <1500 | 7.5 | 9 | 6550*2350*2700 | 1800 |
MSZH-4000 | 4000L | 1000~2000 | <2000 | 11 | 9 | 6800*2500*3000 | 2200 |
注: * 表中混合量是以比重為1的粉料為介質所測數據,選型應根據產品的目數、比重等參數進行計算。
* 如有高溫、高壓、易燃、易爆、腐蝕性等工況時,必須提供詳細數據,以便另行選型定制。
* 本表數據及圖片如有更改,恕不另行通知,正確參數以提供的實物為準。
* 本表未能包括所有產品,了解更多請和我們銷售工程師聯系。
