粉體行業在線展覽
EYH系列
面議
國金
EYH系列
2506
工作原理
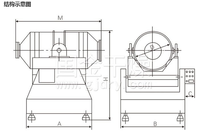
??二維混料機主要由轉筒、擺動架、機架三大部分構成。轉筒裝在擺動架上,由四個滾輪支撐并由兩個擋輪對其進行軸向定位,在四個支撐滾輪中,其中兩個傳動輪由轉動動力系統拖動使轉筒產生轉動,擺動架由一組曲柄擺桿機構來驅動,曲柄擺桿機構在機架上,擺動架由軸承組件支撐在機架上。
性能特點
??
EYH二維混料機的轉筒可同時進行二個運動,一個為轉筒的轉動,另一個為轉筒隨擺動架的擺動。被混合物料在轉筒內隨轉筒轉動、翻轉、混合的同時,又隨轉筒的擺動而發生左右來回的摻混運動,在這兩個運動的共同作用下,物料在短時間內得到充分的混合。EYH二維混料機適合所有粉、粒狀物料的混合。

