粉體行業在線展覽
790
1萬元以下
DOMEL
790
2437
790.3.220-401
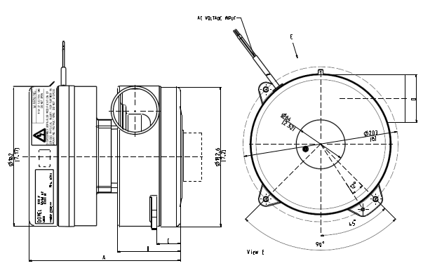
技術參數:
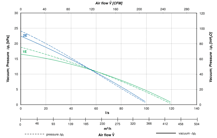
**工作壓力 22.51KPa
**流速 91 L/S
外形尺寸(長/寬/高) 229×205×183mm
電壓 230V 50HZ(DC340V兩用)
**工作功率 1800W
無刷電機的控制板是內置式
進氣口直徑:58mm
出氣口直徑:52mm


790
歐洲進口Domel高負壓無刷風機792
歐洲進口Domel高負壓無刷風機795
467.3.225
498.3.205-4
496.3.330
463.3.403-13
463.3.203.23
440.3.208
792.3.265-841
728
729