粉體行業在線展覽
ZNF-Z
面議
協昌
ZNF-Z
5998
一、產品簡介
智能電磁脈沖閥(以下簡稱“智能閥”)是將電子信息技術、傳感器、物聯網等與傳統電磁脈沖閥進行有機融合后研制的一款智能終端產品。相比于傳統閥,智能閥可將實時工作狀態、膜片的工作過程通過內置的特殊工藝研制并封裝的傳感器模組進行電子化轉換后,以計算機系統可測量的電子信號的形式輸出給上位機。由于內置傳感器可監測膜片的實際真實的動作過程,傳感器的輸出信號可真實的反映智能閥的動作特性、工作質量,甚至可反映智能閥本體的關鍵零部件(如彈簧、大/小膜片)是否受損,也可反映是否有異物進入閥體關鍵部位。


二、技術參數
| 技術類別 | 相關參數 |
| 輸入電壓 | AC 220V/DC24V |
| 輸出電壓 | DC 5V~36V |
| 信號類型 | 4~20mA、矩形波脈沖、差分信號 |
| 額定功率 | 線圈功率30W,傳感器功率<5W |
| 信號精度 | 1mm |
| 工作環境 | 環境溫度為-25℃~85℃ 環境相對濕度不大于85% 無嚴重的腐蝕性氣體和導電塵埃 |
| 工作條件 | 控制信號脈沖寬度不小于50ms 氣源壓力為2MPa~0.6MPa |
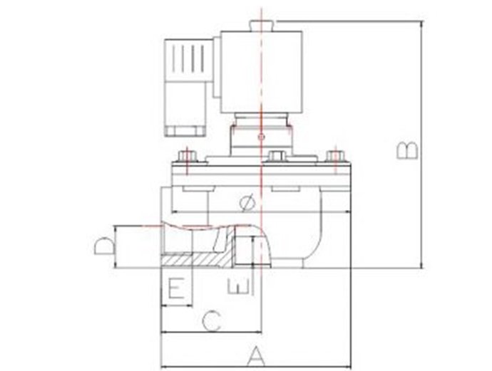
三、安裝尺寸
ZNF-Z系列智能電磁脈沖閥安裝參考尺寸表

| 序號 | 型號 | φ | A | B | C | D | E |
| 1 | ZNF-Z-50S | 160 | 180 | 206 | 100 | 43 | 36 |
| 2 | ZNF-Z-62S | 188 | 204 | 226 | 110 | 49 | 37 |
| 3 | ZNF-Z-76S | 200 | 220 | 250 | 120 | 59 | 38 |
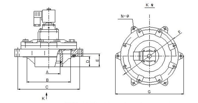
ZNF-Y系列智能電磁脈沖閥安裝參考尺寸表

| 序號 | 電磁脈沖閥 | 與分氣箱和噴吹管安裝參考尺寸 | |||||||
| φA | B | φC | D | E | F | G | N--φ | ||
| 1 | ZNF-Y-50S | 60.5 | 122 | 180 | 30 | 39 | ¢160 | 202 | 6-φ11 |
| 2 | ZNF-Y-62S | 75.5 | 148 | 208 | 35 | 44 | ¢188 | 230 | 6-φ11 |
| 3 | ZNF-Y-76S | 89.5 | 160 | 227 | 35 | 43 | ¢200 | 249 | 6-φ11 |
| 4 | ZNF-Y-102S.B | 103 | 170 | 227 | 35 | 40 | ¢219 | 249 | 6-φ11 |
| 5 | ZNF-Y-102S | 114 | 177 | 227 | 35 | 43 | ¢219 | 249 | 6-φ11 |
| 6 | ZNF-Y-115S | 126.5 | 198 | 239 | 35 | 43 | ¢239 | 261 | 6-φ11 |
SXC-FB防爆型
SXC-X8A1
SXC-X8A4
SXC-D8D2
ZNF-Z
SXC-X8A7
DCF-Y淹沒式
DCF-Z/DCF-2L-B
DCF-ZM
DMY-III
DCF-F
SXC-5A1