粉體行業在線展覽
HIC系列重型反擊錘式破碎機
面議
上海新山寶
HIC系列重型反擊錘式破碎機
1507
產品描述:
HIC 系列重型反擊錘式破碎機式采用**技術開發的一種大破碎比,主要用于中、軟巖物料破碎的高效破碎機。利用數個重型錘頭同時高速打擊大塊物料,物料破碎后沿切線撞到反擊腔,反彈后被卷入破碎腔連續破碎至下料口排出。該機型可用于建筑,工業,建材,化工以及農業,環保,節能等領域,對抗壓強度 100~170Mpa中等硬度物料的破碎如,石灰石,白云石等。
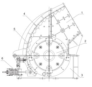
主要部件名稱:
1.襯板部件 2.轉子部件 3.機架部件 4.破碎板部件 5.反擊板部件 6.調整裝置

結構與特點:
◎大破碎比 ◎長破碎腔
◎無蓖板 ◎可開啟機架
◎受多重保護的轉子
