粉體行業在線展覽
795
1萬元以下
DOMEL
795
1590
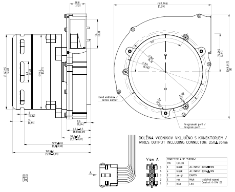
型號:793.3.275
技術參數:
**真空度:9.6/-10.4KPa
**壓力:10.5/10.7KPa
**流速:5412 /5526 l/min
外形尺寸(長/寬/高):187.7×203.2×151.1mm
電壓:120/230V
**工作功率:1000/900W
重量:3kg
可能應用:
(1)紙張處理
(2)排煙
(3)包裝設備
(4)鍋爐
(5)加熱器
曲線圖:

尺寸圖:


790
歐洲進口Domel高負壓無刷風機792
歐洲進口Domel高負壓無刷風機795
467.3.225
498.3.205-4
496.3.330
463.3.403-13
463.3.203.23
440.3.208
792.3.265-841
728
729